Honda Civic manuals

Subaru Legacy BN/BS (2015-2019) Service Manual: Removal

NOTE:

Before conducting this procedure, drain the engine oil completely.

1. Remove the engine from vehicle. Engine Assembly > REMOVAL

2. Remove the crank pulley. Crank Pulley > REMOVAL

3. Remove the chain cover. Chain Cover > REMOVAL

4. Remove the timing chain assembly. Timing Chain Assembly > REMOVAL

5. Remove the cam sprocket. Cam Sprocket > REMOVAL

6. Remove the crank sprocket. Crank Sprocket > REMOVAL

7. Remove the camshaft. Camshaft > REMOVAL

8. Remove the cylinder head. Cylinder Head > REMOVAL

9. Remove the drive plate. Drive Plate > REMOVAL

10. Remove the crankshaft position sensor.

11. Remove the crankshaft position sensor plate.

12. Rotate the engine to set oil pan upper.

13. Remove the bolts which secure oil pan lower to oil pan upper.

14. Insert an oil pan cutter blade into the gap between oil pan upper and oil pan lower, and remove the oil pan lower.

CAUTION:

Do not use a screwdriver or similar tools in place of oil pan cutter.

15. Remove the oil cooler connector and remove the oil cooler.

(A)

Oil cooler connector

(B)

Oil cooler

(C)

O-ring

(D)

Oil pan upper

16. Remove the oil pump. Oil Pump > REMOVAL

17. Remove the oil level switch. Oil Level Switch > REMOVAL

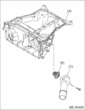
18. Remove the thermostat cover, and then remove the thermostat.

(A)

Oil pan upper

(B)

Thermostat

(C)

Thermostat cover

19. Remove the oil pan upper.

20. Face the front of the engine up, standing the engine on one end.

21. Remove ten O-rings from the underside of the cylinder block.

22. Mark the direction of front and the number of connecting rod caps.

23. Remove the #1 and #4 connecting rod caps and pistons from the cylinder block.

NOTE:

Use 3/8 inch (9.5 sq.) for the extension and TORX® socket (E12).

After removing the two connecting rod connection bolts, turning the crankshaft (ST) counterclockwise will remove the connecting rod cap.

Mark each connecting rod cap and piston with connecting rod cap number and piston number.

The removal of all connecting rod caps and pistons are performed in three separate steps. First, remove the #1 and #4 connecting rod caps and pistons are simultaneously, then the #2 and #5 connecting rod caps and pistons simultaneously, and then the #3 and #6 connecting rod caps and pistons simultaneously.

(1) Using the ST, turn the crankshaft and set the #1 piston at the mid point between TDC and BDC.

ST 18252AA000CRANKSHAFT SOCKET

(2) Remove the two #1 connecting rod cap connection bolts, and remove the connecting rod cap.

(A)

#1 connecting rod cap

(3) Remove the two #4 connecting rod cap connection bolts, and remove the connecting rod cap.

(A)

#4 connecting rod cap

(4) Using the ST, turn the crankshaft and separate the positions of the crank pin and the large end of the #1 connecting rod.

ST 18252AA000CRANKSHAFT SOCKET

(A)

#1 connecting rod

(B)

Crank pin

(5) Push the #1 connecting rod in the direction of the arrow, and remove the #1 piston and connecting rod from the cylinder block.

(A)

#1 connecting rod

(B)

Crank pin

(6) Using the ST, turn the crankshaft and separate the positions of the crank pin and the large end of the #4 connecting rod.

ST 18252AA000CRANKSHAFT SOCKET

(A)

#4 connecting rod

(B)

Crank pin

(7) Push the #4 connecting rod in the direction of the arrow, and remove the #4 piston and connecting rod from the cylinder block.

(A)

#4 connecting rod

(B)

Crank pin

24. Remove the #2 and #5 connecting rods and pistons from the cylinder block in the same manner.

ST 18252AA000CRANKSHAFT SOCKET

25. Remove the #3 and #6 connecting rods and pistons from the cylinder block in the same manner.

ST 18252AA000CRANKSHAFT SOCKET

26. Face the cylinder block (RH) up.

(A)

Cylinder block (RH)

(B)

Cylinder block (LH)

27. Remove the upper bolt.

28. Loosen the cylinder block bolts in the order indicated in the figure, and separate cylinder block (RH) and (LH).

NOTE:

Confirm that the crankshaft is remaining in the cylinder block (LH).

If the cylinder block (RH) is lifted carelessly when separating, the crankshaft may stick to cylinder block (RH), then fall off.

29. Remove the rear oil seal.

30. Remove the crankshaft from cylinder block (LH).

31. Remove the crankshaft bearings from cylinder block using a hammer handle.

NOTE:

Do not confuse the combination of crankshaft bearings.

Press the bearing at the end opposite to locking lip.

Cylinder block
...

Assembly
(1)Connecting rod(2)Connecting rod bearing(3)Piston(4)Piston pin(5)Circlip(6)Oil ring(7)Second ring(8)Top ring1. Apply engine oil to the surface of the connecting rod bearing. Attach the connecting ro ...

Other materials:

Dtc p2122 throttle/pedal position sensor/switch "d" circuit low
DTC DETECTING CONDITION:Immediately at fault recognitionTROUBLE SYMPTOM:• Improper idling• Poor driving performanceCAUTION:After servicing or replacing faulty parts, perform Clear Memory Mode Clear Memory Mode > OPERATION, and Inspection Mode Inspection Mode > PROCEDURE.WIRING DIAGRAM: ...

© 2017-2026 Copyright www.sulegacy.com