Honda Civic manuals

Subaru Legacy BN/BS (2015-2019) Service Manual: Replacement

CAUTION:

Immediately after the vehicle has been running or after idling for a long time, the differential gear oil will be hot. Be careful not to burn yourself.

Be careful not to spill the differential gear oil on exhaust pipe to prevent it from emitting smoke or fire. If differential gear oil is spilled on the exhaust pipe, wipe it off completely.

1. Lift up the vehicle, and remove the front wheels.

2. After pulling off the cotter pin and removing the castle nut, use a puller to remove the tie-rod end.

(A)

Cotter pin

(B)

Tie-rod end

(C)

Castle nut

3. Lift up the vehicle.

4. Remove the under cover - front.

5. Remove the center exhaust pipe. Center Exhaust Pipe > REMOVAL

6. Drain differential gear oil. Differential Gear Oil > REPLACEMENT

7. Tighten the differential gear oil drain plug.

NOTE:

Use a new gasket.

Tightening torque:

70 N·m (7.1 kgf-m, 51.6 ft-lb)

8. Remove the stabilizer link. Front Stabilizer > REMOVAL

9. Disconnect the ball joint and housing.

10. Pull out the front drive shaft from transmission using a crowbar.

NOTE:

Holding the joint of front drive shaft from transmission side, pull out the drive shaft from transmission with care not to stretch the boot.

11. Remove the differential side retainer oil seal using driver wrapped with vinyl tape etc.

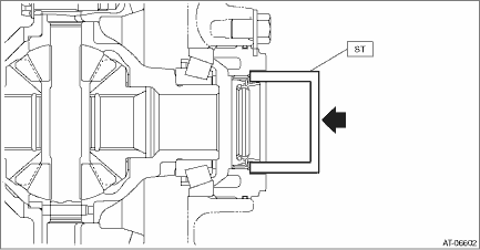
12. Using the ST, install the differential side retainer oil seal by lightly tapping with a hammer.

NOTE:

Apply differential gear oil to the lip surface, so that the oil seal lip is not deformed.

Apply differential gear oil to the press-fitting surface of oil seal and the differential side retainer.

Oil seal has an identification mark (R, L). When installing oil seals, do not confuse the left and right.

ST 18675AA000DIFFERENTIAL SIDE OIL SEAL INSTALLER

13. Apply grease to the side retainer oil seal lip.

14. Set the ST to side retainer.

ST 28399SA010OIL SEAL PROTECTOR

15. Replace the circlip of the drive shaft with a new part.

16. Insert the front drive shaft spline section into transmission and remove the ST (DIFFERENTIAL SIDE OIL SEAL INSTALLER).

17. Insert the drive shaft into the transmission securely by pressing the housing from outside of the vehicle.

18. Insert the ball joint into housing and secure with bolt.

CAUTION:

Before tightening, make sure the bottom surface of the housing assembly - front axle and the stepped section of ball joint are in contact.

Do not apply grease to the tapered portion of ball stud.

Tightening torque:

50 N·m (5.1 kgf-m, 36.9 ft-lb)

(a)

Bottom surface of housing ASSY - front axle

(b)

Raised section of ball joint

(c)

Housing ASSY - front axle

(d)

Ball joint ASSY

19. Install the stabilizer link.

Tightening torque:

60 N·m (6.1 kgf-m, 44.3 ft-lb)

20. Install the center exhaust pipe. Center Exhaust Pipe > INSTALLATION

21. Install the under cover - front.

22. Lower the vehicle.

23. Connect the tie-rod end and knuckle arm, and attach the castle nut.

Tightening torque:

27 N·m (2.8 kgf-m, 19.9 ft-lb)

CAUTION:

When connecting, do not hit the cap at the bottom of tie-rod end with hammer.

24. After tightening the castle nut to the specified tightening torque, tighten it further within 60° until the cotter pin hole is aligned with slot in the nut. Fit the cotter pin into the nut, and then bend the pin to lock.

(A)

Cotter pin

(B)

Tie-rod end

(C)

Castle nut

25. Fill differential gear oil. Differential Gear Oil

26. Adjust the differential gear oil level, and check for leakage. Differential Gear Oil > ADJUSTMENT

27. Install the front tires. Tire and Wheel > INSTALLATION

Differential side retainer oil seal
...

Inspection
Check for leakage of gear oil from differential side retainer oil seal part. If there is an oil leak, inspect the front drive shaft and replace the oil seal. ...

Other materials:

Dtc p0020 "a" camshaft position actuator control circuit/open bank 2
DTC DETECTING CONDITION:Immediately at fault recognitionTROUBLE SYMPTOM:Improper idlingCAUTION:After servicing or replacing faulty parts, perform Clear Memory Mode Clear Memory Mode > OPERATION, and Inspection Mode Inspection Mode > PROCEDURE.WIRING DIAGRAM:• Engine Electrical System ENGINE ...

© 2017-2025 Copyright www.sulegacy.com