Honda Civic manuals

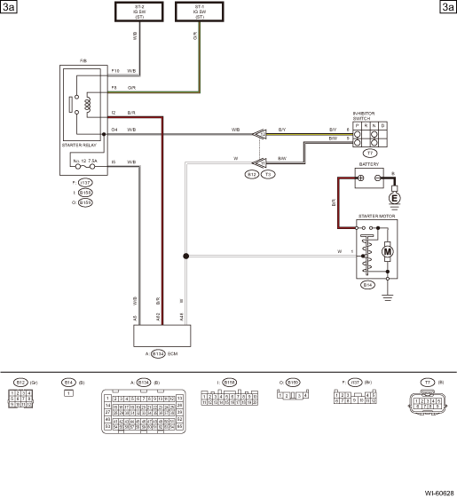
Subaru Legacy BN/BS (2015-2019) Service Manual: Starter system wiring diagram

1. ENGINE TYPE FB (WITHOUT PUSH BUTTON START)

2. ENGINE TYPE FB (WITH PUSH BUTTON START)

3. ENGINE TYPE EZ (WITHOUT PUSH BUTTON START)

4. ENGINE TYPE EZ (WITH PUSH BUTTON START)

Speedometer system wiring diagram
...

Stop light system wiring diagram
1. SEDAN MODEL2. OUTBACK MODEL ...

Other materials:

Dtc p0335 crankshaft position sensor "a" circuit
DTC DETECTING CONDITION:Immediately at fault recognitionTROUBLE SYMPTOM:• Engine stalls.• Failure of engine to startCAUTION:After servicing or replacing faulty parts, perform Clear Memory Mode Clear Memory Mode > OPERATION, and Inspection Mode Inspection Mode > PROCEDURE.WIRING DIAGRAM ...

© 2017-2025 Copyright www.sulegacy.com