Honda Civic manuals

Subaru Legacy BN/BS (2015-2019) Service Manual: 14

Detected when select lever is set in the neutral position, or when malfunction related to neutral position switch occurs.

TROUBLE SYMPTOM:

Cruise control cannot be set.

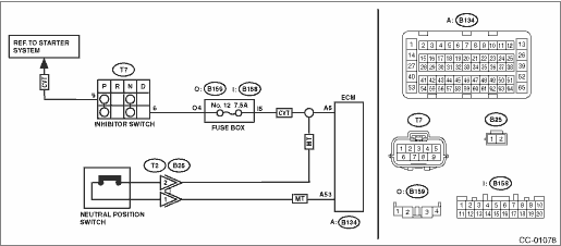
WIRING DIAGRAM:

NOTE:

For the coupling connector, refer to “WIRING SYSTEM”.

Cruise control system Cruise Control System > WIRING DIAGRAM

STEPCHECKYESNO

1.CHECK TRANSMISSION TYPE.

Is the transmission type CVT-

Diagnostic Procedure with Cancel Code > 14

Diagnostic Procedure with Cancel Code > 14 (MT model)

2.CHECK INHIBITOR SWITCH CIRCUIT.

1) Turn the ignition switch to OFF.

2) Disconnect the inhibitor switch harness connector.

3) Turn the ignition switch to ON.

4) Measure the voltage between harness connector terminal and chassis ground.

Connector & terminal

(T7) No. 6 (+) — Chassis ground (−):

Is the voltage 10 V or more-

Diagnostic Procedure with Cancel Code > 14

Check the fuse.

Check for open or short in the harness between inhibitor switch and ECM.

3.CHECK INHIBITOR SWITCH CIRCUIT.

1) Turn the ignition switch to OFF.

2) Disconnect the starter motor harness connector.

3) Measure the resistance between inhibitor switch harness connector terminal and starter motor.

Connector & terminal

(T7) No. 9 — Starter motor:

Is the resistance less than 10 --

Diagnostic Procedure with Cancel Code > 14

Repair the harness.

4.CHECK INHIBITOR SWITCH.

Remove and check the inhibitor switch. Inhibitor Switch

Is the inhibitor switch working normal-

Replace the ECM. Engine Control Module (ECM) Engine Control Module (ECM)

Replace the inhibitor switch.

5.CHECK NEUTRAL POSITION SWITCH CIRCUIT.

1) Turn the ignition switch to OFF.

2) Disconnect the neutral position switch harness connector.

3) Turn the ignition switch to ON.

4) Measure the voltage between harness connector terminal and chassis ground.

Connector & terminal

(B25) No. 2 (+) — Chassis ground (−):

Is the voltage 10 V or more-

Diagnostic Procedure with Cancel Code > 14

Check for open or short in the harness between neutral position switch and ECM.

6.CHECK NEUTRAL POSITION SWITCH CIRCUIT.

1) Turn the ignition switch to OFF.

2) Measure resistance between harness connector terminal of neutral position switch and chassis ground.

Connector & terminal

(B25) No. 1 — Chassis ground:

Is the resistance less than 10 --

Diagnostic Procedure with Cancel Code > 14

Repair the harness.

7.CHECK NEUTRAL POSITION SWITCH.

Remove and check the neutral position switch. Neutral Position Switch

Is the neutral position switch OK-

Replace the ECM.
Replace the ECM. Engine Control Module (ECM) Engine Control Module (ECM)

Replace the neutral position switch.

15
Detected when CANCEL switch is pressed or malfunction related to CRUISE switch occurs.TROUBLE SYMPTOM:• Cruise control cannot be set. (Cancelled immediately.)• Cruise control cannot be rel ...

13
Detected when clutch pedal is depressed or malfunction related to clutch switch occurs.TROUBLE SYMPTOM:• Cruise control cannot be set.• Cruise control cannot be released.WIRING DIAGRAM:Cru ...

Other materials:

Instrument panel wiring harness lh location
ConnectorConnecting toNo.PoleColorAreaNo.DescriptionAB24YC-4AB7Driver's airbag moduleAB352C-2 F/Bi212C-1R339Rear wiring harness LHi516LC-2 F/Bi1040BB-3 Combination meteri288C-2 OP connector (fog light switch)i477BC-4 Steering lock CMi522BC-4 Key lock solenoid (without push button start)i5418GrD-1R99 ...

© 2017-2025 Copyright www.sulegacy.com