Honda Civic manuals

Subaru Legacy BN/BS (2015-2019) Service Manual: Dtc b224a backup camera

DTC DETECTING CONDITION:

Detected when the synchronization error occurs in the condition of the picture input.

TROUBLE SYMPTOM:

Camera image does not appear.

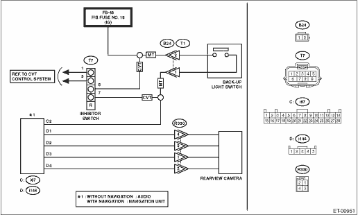
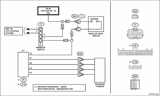
WIRING DIAGRAM:

Rearview camera system Rearview Camera System > WIRING DIAGRAM

Navigation system Navigation System > WIRING DIAGRAM

Audio system Audio System > WIRING DIAGRAM

Back-up light system Back-up Light System > WIRING DIAGRAM

Sedan model

OUTBACK model

STEPCHECKYESNO

1.CHECK CURRENT DATA.

Confirm the current data «Rear camera connection state» of the infotainment system. Read Current Data

Is «ON» displayed-

Diagnostic Procedure with Diagnostic Trouble Code (DTC) > DTC B224A BACKUP CAMERA

Diagnostic Procedure with Diagnostic Trouble Code (DTC) > DTC B224A BACKUP CAMERA

2.CHECK CURRENT DATA.

Confirm the current data «Reverse connection state» of the infotainment system. Read Current Data

Is «ON» displayed when the shift lever is set to the reverse range-

Diagnostic Procedure with Diagnostic Trouble Code (DTC) > DTC B224A BACKUP CAMERA

Diagnostic Procedure with Diagnostic Trouble Code (DTC) > DTC B224A BACKUP CAMERA

3.CHECK HARNESS (OPEN CIRCUIT).

1) Disconnect the audio (7-inch display) connector or navigation unit connector.

2) Disconnect the rearview camera connector.

3) Using the tester, measure the resistance of harness between rearview camera connector and audio (7-inch display) connector or navigation unit connector.

Connector & terminal

Sedan model

(i146) No. 1 — (R330) No. 4:
(i146) No. 2 — (R330) No. 3:
(i146) No. 3 — (R330) No. 1:
(i146) No. 4 — (R330) No. 2:

OUTBACK model

(i146) No. 1 — (D85) No. 1:
(i146) No. 2 — (D85) No. 2:
(i146) No. 3 — (D85) No. 4:
(i146) No. 4 — (D85) No. 3:

Is the resistance less than 1 --

Diagnostic Procedure with Diagnostic Trouble Code (DTC) > DTC B224A BACKUP CAMERA

Repair the open circuit of harness between audio (7-inch display) connector or navigation unit connector and rearview camera.

4.CHECK HARNESS (GROUND SHORT CIRCUIT).

Using the tester, measure the resistance of harness between audio (7-inch display) connector or navigation unit connector and chassis ground.

Connector & terminal

Sedan model

(i146) No. 1 — Chassis ground:
(i146) No. 2 — Chassis ground:
(i146) No. 3 — Chassis ground:
(i146) No. 4 — Chassis ground:

OUTBACK model

(i146) No. 1 — Chassis ground:
(i146) No. 2 — Chassis ground:
(i146) No. 3 — Chassis ground:
(i146) No. 4 — Chassis ground:

Is the resistance 1 M- or more-

Diagnostic Procedure with Diagnostic Trouble Code (DTC) > DTC B224A BACKUP CAMERA

Repair the short to ground in harness between audio (7-inch display) connector or navigation unit connector and rearview camera.

5.CHECK HARNESS (SHORT CIRCUIT TO POWER SUPPLY).

1) Turn the ignition switch to ON.

2) Using the tester, measure the voltage between audio (7-inch display) connector or navigation unit connector and chassis ground. (With each connector disconnected)

Connector & terminal

Sedan model

(i146) No. 1 (+) — Chassis ground (−):
(i146) No. 2 (+) — Chassis ground (−):
(i146) No. 3 (+) — Chassis ground (−):
(i146) No. 4 (+) — Chassis ground (−):

OUTBACK model

(i146) No. 1 (+) — Chassis ground (−):
(i146) No. 2 (+) — Chassis ground (−):
(i146) No. 3 (+) — Chassis ground (−):

Is the voltage less than 1 V-

Diagnostic Procedure with Diagnostic Trouble Code (DTC) > DTC B224A BACKUP CAMERA

Repair the short to power supply in harness between audio (7-inch display) connector or navigation unit connector and rearview camera.

6.CHECK HARNESS (OPEN CIRCUIT).

1) Disconnect the audio (7-inch display) connector or navigation unit connector.

2) Disconnect the inhibitor switch connector.

3) Using the tester, measure the resistance of harness between inhibitor switch connector or back-up light switch connector and audio (7-inch display) connector or navigation unit connector.

Connector & terminal

CVT model

(i87) No. 2 — (T7) No. 7:

MT model

(i87) No. 2 — (B24) No. 1:

Is the resistance less than 1 --

Diagnostic Procedure with Diagnostic Trouble Code (DTC) > DTC B224A BACKUP CAMERA

Repair the open circuit of harness between audio (7-inch display) connector or navigation unit connector and inhibitor switch connector or back-up light switch connector.

7.CHECK HARNESS (GROUND SHORT CIRCUIT).

Using the tester, measure the resistance of harness between audio (7-inch display) connector or navigation unit connector and chassis ground.

Connector & terminal

(i87) No. 2 — Chassis ground:

Is the resistance 1 M- or more-

Diagnostic Procedure with Diagnostic Trouble Code (DTC) > DTC B224A BACKUP CAMERA

Repair the short to ground in harness between audio (7-inch display) connector or navigation unit connector and inhibitor switch connector or back-up light switch connector.

8.CHECK HARNESS (SHORT CIRCUIT TO POWER SUPPLY).

1) Turn the ignition switch to ON.

2) Using the tester, measure the voltage between audio (7-inch display) connector or navigation unit connector and chassis ground. (With each connector disconnected)

Connector & terminal

(i87) No. 2 (+) — Chassis ground (−):

Is the voltage less than 1 V-

Diagnostic Procedure with Diagnostic Trouble Code (DTC) > DTC B224A BACKUP CAMERA

Repair the short to power supply in harness between audio (7-inch display) connector or navigation unit connector and inhibitor switch connector or back-up light switch connector.

9.CHECK REARVIEW CAMERA.

Check the rearview camera according to the instructions of rearview camera operation manual.

Is there any fault-

Replace the rearview camera. Rearview Camera System

Replace the audio (7-inch display) or navigation unit. Audio Navigation Body

Dtc u0155 lost communication with instrument panel cluster (ipc) control module
Detected when CAN data from combination meter does not arrive.NOTE:Perform the diagnosis for LAN system. Basic Diagnostic Procedure > PROCEDURE ...

Dtc b2240 can communication (audio) stuck
DTC DETECTING CONDITION:Detected when the resistor is stuck during the CAN bus communication process.TROUBLE SYMPTOM:Screen display does not link with combination meter or vehicle.STEPCHECKYESNO1.CHEC ...

Other materials:

Assembly
1. DIFFERENTIAL CASE ASSEMBLY1. Install the differential bevel gear and differential bevel pinion together with adjusting washer, and insert the pinion shaft.NOTE:Face the chamfered side of adjusting washer toward differential bevel gear.(A)Pinion shaft(B)Differential bevel pinion(C)Differential bev ...

© 2017-2026 Copyright www.sulegacy.com