Honda Civic manuals

Subaru Legacy BN/BS (2015-2019) Service Manual: Dtc c2551 power supply relay

DTC DETECTING CONDITION:

When contact deposit malfunction of power supply relay is detected at initial check.

When power supply voltage failure is detected after the ignition switch is ON.

When power supply voltage drop is detected with 500 rpm engine speed reception.

TROUBLE SYMPTOM:

The steering wheel operation feels heavy.

STEERING warning light illuminates.

NOTE:

If power supply voltage failure exists at the vehicle side, the warning light goes off if the normal voltage returns.

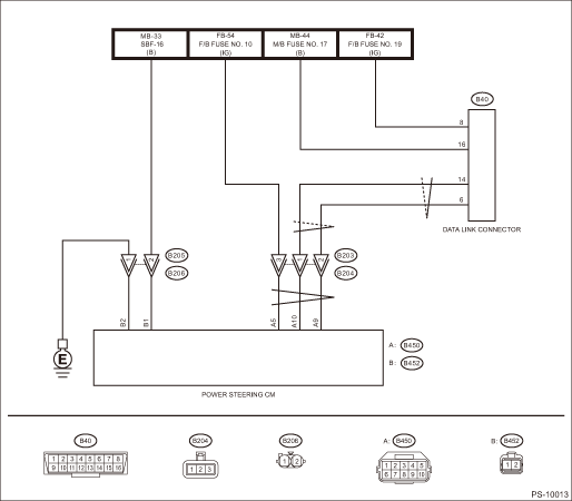
WIRING DIAGRAM:

Electric power steering system Electric Power Steering System

STEPCHECKYESNO

1.CHECK BATTERY.

Check the battery. Battery > INSPECTION Battery > INSPECTION

Is the voltage 12 V or more-
Is the specific gravity 1.260 or more-
Is the battery OK-

Diagnostic Procedure with Diagnostic Trouble Code (DTC) > DTC C2551 POWER SUPPLY RELAY

Charge or replace the battery.

2.CHECK BATTERY TERMINAL AND FUSE.

Check the battery terminals and the fuse.

Is there any defectiveness in the battery terminals and the fuse-

Repair the defective part.

Diagnostic Procedure with Diagnostic Trouble Code (DTC) > DTC C2551 POWER SUPPLY RELAY

3.CHECK WIRING HARNESS.

1) Disconnect the connector. (B205, B206)

2) Turn the ignition switch to ON.

3) Using a tester and special tool harness, check the voltage between terminals.

Connector & terminal

(B205) No. 2 (+) — Chassis ground (−):

Is the voltage 12 V or more-

Diagnostic Procedure with Diagnostic Trouble Code (DTC) > DTC C2551 POWER SUPPLY RELAY

Repair the open circuit of harness or the poor contact of connector between the power steering control module and the battery.

4.CHECK GROUND CIRCUIT.

1) Turn the ignition switch to OFF.

2) Using a tester and special tool harness, check the resistance between terminals.

Connector & terminal

(B205) No. 1 — Chassis ground:

Is the resistance less than 1 --

Diagnostic Procedure with Diagnostic Trouble Code (DTC) > DTC C2551 POWER SUPPLY RELAY

Repair the open circuit or poor contact of the harness between the power steering control module and chassis ground.

5.CHECK HARNESS.

1) Turn the ignition switch to OFF.

2) Disconnect the power steering control module connector (B452).

3) Using a tester and special tool harness, check the resistance between harness terminals.

Connector & terminal

(B206) No. 1 — (B452) No. 2:

(B206) No. 2 — (B452) No. 1:

Is the resistance less than 10 --

Replace the steering gearbox. Electric Power Steering Gearbox

Repair or replace the harness.

Dtc u0155 lost communication with instrument panel cluster (ipc) control module
NOTE:Refer to “LAN SYSTEM (DIAGNOSTICS)” for diagnostic procedure. Basic Diagnostic Procedure ...

Dtc c2548 vehicle dynamics control module system
DTC DETECTING CONDITION:When error flag from VDCCM is detected for 2 seconds after the ignition switch is ON.STEPCHECKYESNO1.CHECK DTC.Read the DTC of VDC system using the Subaru Select Monitor.Is a D ...

Other materials:

To decrease the speed (by the "RES/SET" switch)
Press the "RES/SET" switch to the "SET" side and hold it until the vehicle reaches the desired speed. Then, release the switch. The vehicle speed at that moment will be memorized and treated as the new set speed. When setting the displayed unit as "MPH": The set speed can be decreased ...

© 2017-2025 Copyright www.sulegacy.com