Honda Civic manuals

Subaru Legacy BN/BS (2015-2019) Service Manual: Dtc p0050 a/f / o2 heater control circuit bank 2 sensor 1

DTC DETECTING CONDITION:

Detected when two consecutive driving cycles with fault occur.

CAUTION:

After servicing or replacing faulty parts, perform Clear Memory Mode Clear Memory Mode > OPERATION, and Inspection Mode Inspection Mode > PROCEDURE.

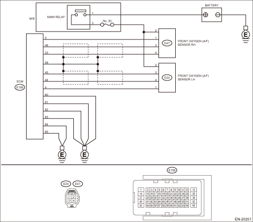
WIRING DIAGRAM:

Engine Electrical System ENGINE TYPE EZ (WITHOUT PUSH BUTTON START) Engine Electrical System > WIRING DIAGRAM

Engine Electrical System ENGINE TYPE EZ (WITH PUSH BUTTON START) Engine Electrical System > WIRING DIAGRAM

STEPCHECKYESNO

1.CHECK HARNESS BETWEEN ECM AND FRONT OXYGEN (A/F) SENSOR CONNECTOR.

1) Start and warm up the engine.

2) Turn the ignition switch to OFF.

3) Disconnect the connectors from ECM and front oxygen (A/F) sensor.

4) Measure the resistance of harness between ECM connector and front oxygen (A/F) sensor connector.

Connector & terminal

(E158) No. 4 — (E24) No. 1:

(E158) No. 45 — (E24) No. 3:

(E158) No. 44 — (E24) No. 4:

Is the resistance less than 1 --

Diagnostic Procedure with Diagnostic Trouble Code (DTC) > DTC P0050 A/F / O2 HEATER CONTROL CIRCUIT BANK 2 SENSOR 1

Repair the harness and connector.

NOTE:

In this case, repair the following item:

Open circuit in harness between ECM connector and front oxygen (A/F) sensor connector

Poor contact of coupling connector

2.CHECK FRONT OXYGEN (A/F) SENSOR.

Measure the resistance between front oxygen (A/F) sensor connector terminals.

Terminals

No. 2 — No. 1:

Is the resistance 2 — 3 --

Diagnostic Procedure with Diagnostic Trouble Code (DTC) > DTC P0050 A/F / O2 HEATER CONTROL CIRCUIT BANK 2 SENSOR 1

Replace the front oxygen (A/F) sensor. Front Oxygen (A/F) Sensor

3.CHECK FOR POOR CONTACT.

Check for poor contact of ECM and front oxygen (A/F) sensor connector.

Is there poor contact of ECM or front oxygen (A/F) sensor connector-

Repair the poor contact of ECM or front oxygen (A/F) sensor connector.

Replace the front oxygen (A/F) sensor. Front Oxygen (A/F) Sensor

1. OUTLINE OF DIAGNOSIS

NOTE:

For the detection standard, refer to DTC P0030. Diagnostic Procedure with Diagnostic Trouble Code (DTC) > DTC P0030 A/F / O2 HEATER CONTROL CIRCUIT BANK 1 SENSOR 1

Dtc p0051 a/f / o2 heater control circuit low bank 2 sensor 1
DTC DETECTING CONDITION:Immediately at fault recognitionCAUTION:After servicing or replacing faulty parts, perform Clear Memory Mode Clear Memory Mode > OPERATION, and Inspection Mode Inspection Mod ...

Dtc p0560 system voltage
DTC DETECTING CONDITION:Immediately at fault recognitionCAUTION:After servicing or replacing faulty parts, perform Clear Memory Mode Clear Memory Mode > OPERATION, and Inspection Mode Inspection Mod ...

Other materials:

Dtc p0463 fuel level sensor "a" circuit high
DTC DETECTING CONDITION:Detected when two consecutive driving cycles with fault occur.CAUTION:After servicing or replacing faulty parts, perform Clear Memory Mode Clear Memory Mode > OPERATION, and Inspection Mode Inspection Mode > PROCEDURE.STEPCHECKYESNO1.CHECK FOR ANY OTHER DTC ON DISPLAY.Is DT ...

© 2017-2025 Copyright www.sulegacy.com