Honda Civic manuals

Subaru Legacy BN/BS (2015-2019) Service Manual: Dtc p0051 a/f / o2 heater control circuit low bank 2 sensor 1

DTC DETECTING CONDITION:

Immediately at fault recognition

CAUTION:

After servicing or replacing faulty parts, perform Clear Memory Mode Clear Memory Mode > OPERATION, and Inspection Mode Inspection Mode > PROCEDURE.

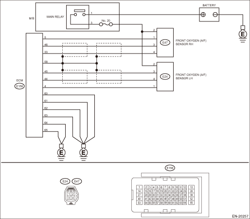
WIRING DIAGRAM:

Engine Electrical System ENGINE TYPE EZ (WITHOUT PUSH BUTTON START) Engine Electrical System > WIRING DIAGRAM

Engine Electrical System ENGINE TYPE EZ (WITH PUSH BUTTON START) Engine Electrical System > WIRING DIAGRAM

STEPCHECKYESNO

1.CHECK POWER SUPPLY TO FRONT OXYGEN (A/F) SENSOR.

1) Turn the ignition switch to OFF.

2) Disconnect the connectors from front oxygen (A/F) sensor.

3) Turn the ignition switch to ON.

4) Measure the voltage between front oxygen (A/F) sensor connector and engine ground.

Connector & terminal

(E24) No. 2 (+) — Engine ground (−):

Is the voltage 10 V or more-

Diagnostic Procedure with Diagnostic Trouble Code (DTC) > DTC P0051 A/F / O2 HEATER CONTROL CIRCUIT LOW BANK 2 SENSOR 1

Repair the power supply line.

NOTE:

In this case, repair the following item:

Open circuit of harness between M/B main relay and front oxygen (A/F) sensor connector

Poor contact of M/B main relay connector

Poor contact of coupling connector

Defective M/B main relay

Blown out of fuse (M/B No. 20)

2.CHECK HARNESS BETWEEN ECM AND FRONT OXYGEN (A/F) SENSOR CONNECTOR.

1) Turn the ignition switch to OFF.

2) Disconnect the connector from ECM.

3) Measure the resistance between ECM connector and front oxygen (A/F) sensor connector.

Connector & terminal

(E158) No. 4 — (E24) No. 1:

Is the resistance less than 1 --

Diagnostic Procedure with Diagnostic Trouble Code (DTC) > DTC P0051 A/F / O2 HEATER CONTROL CIRCUIT LOW BANK 2 SENSOR 1

Repair the harness and connector.

NOTE:

In this case, repair the following item:

Open circuit in harness between ECM connector and front oxygen (A/F) sensor connector

Poor contact of coupling connector

3.CHECK GROUND CIRCUIT FOR ECM.

Measure the resistance of harness between ECM connector and chassis ground.

Connector & terminal

(E158) No. 60 — Chassis ground:

(E158) No. 61 — Chassis ground:

(E158) No. 62 — Chassis ground:

(E158) No. 63 — Chassis ground:

(E158) No. 64 — Chassis ground:

(E158) No. 65 — Chassis ground:

Is the resistance less than 5 --

Diagnostic Procedure with Diagnostic Trouble Code (DTC) > DTC P0051 A/F / O2 HEATER CONTROL CIRCUIT LOW BANK 2 SENSOR 1

Repair the open circuit in harness between ECM connector and engine ground.

4.CHECK FRONT OXYGEN (A/F) SENSOR.

Measure the resistance between front oxygen (A/F) sensor connector terminals.

Terminals

No. 2 — No. 1:

Is the resistance 2 — 3 --

Repair the poor contact of ECM connector.

Replace the front oxygen (A/F) sensor. Front Oxygen (A/F) Sensor

1. OUTLINE OF DIAGNOSIS

NOTE:

For the detection standard, refer to DTC P0031. Diagnostic Procedure with Diagnostic Trouble Code (DTC) > DTC P0031 A/F / O2 HEATER CONTROL CIRCUIT LOW BANK 1 SENSOR 1

Dtc p0052 a/f / o2 heater control circuit high bank 2 sensor 1
DTC DETECTING CONDITION:Immediately at fault recognitionCAUTION:After servicing or replacing faulty parts, perform Clear Memory Mode Clear Memory Mode > OPERATION, and Inspection Mode Inspection Mod ...

Dtc p0050 a/f / o2 heater control circuit bank 2 sensor 1
DTC DETECTING CONDITION:Detected when two consecutive driving cycles with fault occur.CAUTION:After servicing or replacing faulty parts, perform Clear Memory Mode Clear Memory Mode > OPERATION, and I ...

Other materials:

List of diagnostic trouble code (dtc) list
DTCItemReferenceB2300REAR RADAR CIRCUIT LOW Diagnostic Procedure with Diagnostic Trouble Code (DTC) > DTC B2300 REAR RADAR CIRCUIT LOWB2301REAR RADAR CIRCUIT HIGH Diagnostic Procedure with Diagnostic Trouble Code (DTC) > DTC B2301 REAR RADAR CIRCUIT HIGHB2304REAR RADAR ON-OFF SWITCH STUCK Diagnostic ...

© 2017-2026 Copyright www.sulegacy.com