Honda Civic manuals

Subaru Legacy BN/BS (2015-2019) Service Manual: Inspection

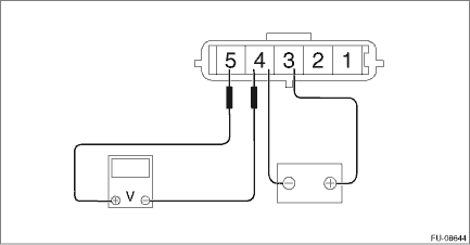
1. CHECK THE MASS AIR FLOW SENSOR UNIT

1. Connect the battery positive terminal to terminal No. 3 and the battery ground terminal to terminal No. 4, and connect the circuit tester positive terminal to terminal No. 5 and the circuit tester ground terminal to terminal No. 4.

2. Check the voltage changes when air is blown to the mass air flow sensor unit in arrow direction.

2. CHECK THE INTAKE AIR TEMPERATURE SENSOR UNIT

Measure the resistance between intake air temperature sensor terminals.

Temperature

Terminal No.

Standard

−20°C (−4°F)

1 and 2

16.0±2.4 k-

25°C (77°F)

2.45±0.24 k-

60°C (140°F)

0.58±0.087 k-

3. OTHER INSPECTIONS

1. Check that the mass air flow and intake air temperature sensor has no deformation, cracks or other damages.

2. Check that the mass air flow and intake air temperature sensor has no dirt.

Removal
1. Disconnect the ground terminal from battery sensor. NOTE2. Disconnect the connector (A) from the mass air flow and intake air temperature sensor, and remove the mass air flow and intake air temper ...

Installation
1. Install the mass air flow and intake air temperature sensor, and connect the connector to the mass air flow and intake air temperature sensor.Tightening torque:1 N·m (0.1 kgf-m, 0.7 ft-lb)2. ...

Other materials:

Dtc p0341 camshaft position sensor "a" circuit range/performance bank 1 or single sensor
NOTE:For the diagnostic procedure, refer to DTC P0340. Diagnostic Procedure with Diagnostic Trouble Code (DTC) > DTC P0340 CAMSHAFT POSITION SENSOR "A" CIRCUIT BANK 1 OR SINGLE SENSOR1. OUTLINE OF DIAGNOSISDetect the malfunction of camshaft position sensor property.Judge as NG when the number of ca ...

© 2017-2025 Copyright www.sulegacy.com